Fast delivery within 72 Hours
Siemens 7SR5711-1AD11-0AA0
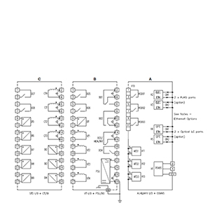
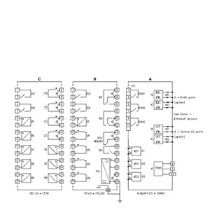
Motor protection 7SR57, 4 curr. trans., 4 volt. trans., 3 AFD (Arc Flash Detector), 9 BI, 11 BO ( incl. 3 high speed BO) Standard interface: 1 x USB (front), RS 485 (rear) + 2 x RJ45 ports, S6 enclosu…
Request for Quote
Shipping & Delivery
-
Courier delivery
Our courier will deliver to the specified address
5-6 Days
From €20
-
DHL Courier delivery
DHL courier will deliver to the specified address
2-3 Days
From €40
-
Warranty 1 year
-
Free 30-Day returns
Description
Motor protection 7SR57, 4 curr. trans., 4 volt. trans., 3 AFD (Arc Flash Detector), 9 BI, 11 BO ( incl. 3 high speed BO) Standard interface: 1 x USB (front), RS 485 (rear) + 2 x RJ45 ports, S6 enclosure
Specification
Customer Reviews
Rated 0 out of 5
0 reviews
Rated 5 out of 5
0
Rated 4 out of 5
0
Rated 3 out of 5
0
Rated 2 out of 5
0
Rated 1 out of 5
0
Be the first to review “Siemens 7SR5711-1AD11-0AA0” Cancel reply

Reviews
Clear filtersThere are no reviews yet.