Fast delivery within 72 Hours
Pepperl Fuchs BP.NA.*.PA.GN.*
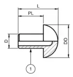
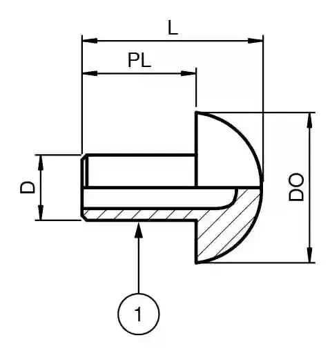
Sealing Plugs for metal Cable Glands. Sealing element for installation of cable glands in enclosures, Accessory for CG.NA.* size M12 … M20S / NPT1/4″ … NPT1/2S” cable glands metal, Accessory for C…
Request for Quote
Shipping & Delivery
-
Courier delivery
Our courier will deliver to the specified address
5-6 Days
From €20
-
DHL Courier delivery
DHL courier will deliver to the specified address
2-3 Days
From €40
-
Warranty 1 year
-
Free 30-Day returns
Description
Sealing Plugs for metal Cable Glands. Sealing element for installation of cable glands in enclosures, Accessory for CG.NA.* size M12 … M20S / NPT1/4″ … NPT1/2S” cable glands metal, Accessory for CG.EM.* size M16S … M20 / NPT3/8S” … NPT1/2″ cable glands metal, Accessory for CG.P*DS.* size M63 cable glands plastic with double seal insert, Polyamide, Ex e and Ex tb certified, Suitable for operation in Zone 1, Zone 2, Zone 21 and Zone 22

Reviews
Clear filtersThere are no reviews yet.