Fast delivery within 72 Hours
Festo CPVSC1-M1LH-D-H-Q3C
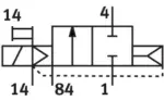
Solenoid valve-CPVSC1-M1LH-D-H-Q3C
Request for Quote
Shipping & Delivery
-
Courier delivery
Our courier will deliver to the specified address
5-6 Days
From €20
-
DHL Courier delivery
DHL courier will deliver to the specified address
2-3 Days
From €40
-
Warranty 1 year
-
Free 30-Day returns
Description
Specification
| Valve function | 2/2-way, closed, monostable |
|---|---|
| Type of actuation | Electric |
| Valve size | 10 mm |
| Standard nominal flow rate (standardised to DINÂ 1343) | 150 l/min |
| Pneumatic working port | QS-3 |
| Operating voltage | 24V DC |
| Operating pressure | -0.9, 7 bar |
| Design | Piston gate valve |
| Type of reset | Pneumatic spring |
| Degree of protection | IP40 |
| Exhaust-air function | Without flow control option |
| Sealing principle | Soft |
| Mounting position | optional |
| Manual override | Detenting, Non-detenting |
| Type of piloting | Pilot actuated |
| Pilot air supply | External |
| Flow direction | Non-reversible |
| Symbol | 00991057 |
| Lap | Overlap |
| Signal status display | LED |
| Pilot pressure | 3, 7 bar |
| Switching time off | 10 ms |
| Switching time on | 10 ms |
| Characteristic coil data | 24 V DC: 1.0 W |
| Operating medium | Compressed air to ISO 8573-1:2010 [7:4:4] |
| Note on operating and pilot medium | Lubricated operation possible (in which case lubricated operation will always be required) |
| Vibration resistance | Transport application test with severity level 2 to FN 942017-4 and EN 60068-2-6 |
| Shock resistance | Shock test with severity level 2 to FN 942017-5 and EN 60068-2-27 |
| Corrosion resistance class CRC | 1 – Low corrosion stress |
| LABS (PWIS) conformity | VDMA24364-B2-L |
| Media temperature | -5, 50 °C |
| Ambient temperature | -5, 50 °C |
| Product weight | 30.5 g |
| Electrical connection | 2-pin, Plugs |
| Type of mounting | With through-hole |
| Pilot exhaust port 82/84 | Common line |
| Pneumatic connection, port 1 | Common line |
| Pneumatic connection, port 2 | QS-3 |
| Pneumatic connection 3/5 combined | Common line |
| Pneumatic connection, port 4 | QS-3 |
| Note on materials | RoHS-compliant |
| Material seals | NBR |
| Material housing | Die-cast aluminium |
Customer Reviews
Rated 0 out of 5
0 reviews
Rated 5 out of 5
0
Rated 4 out of 5
0
Rated 3 out of 5
0
Rated 2 out of 5
0
Rated 1 out of 5
0
Be the first to review “Festo CPVSC1-M1LH-D-H-Q3C” Cancel reply

Reviews
Clear filtersThere are no reviews yet.