Fast delivery within 72 Hours

Festo CPVSC1-M1H-D-T-Q4C

Solenoid valve-CPVSC1-M1H-D-T-Q4C

Request for Quote

Shipping & Delivery

  • Courier delivery

Our courier will deliver to the specified address

5-6 Days

From €20

  • DHL Courier delivery

DHL courier will deliver to the specified address

2-3 Days

From €40

  • Warranty 1 year
  • Free 30-Day returns

Description

Specification

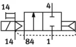
Valve function2/2-way, closed, monostable
Type of actuationElectric
Valve size10 mm
Standard nominal flow rate (standardised to DIN 1343)150 l/min
Pneumatic working portQS-4
Operating voltage24V DC
Operating pressure-0.9, 7 bar
DesignPiston gate valve
Type of resetPneumatic spring
Degree of protectionIP40
Exhaust-air functionWithout flow control option
Sealing principleSoft
Mounting positionoptional
Manual overrideDetenting, Non-detenting
Type of pilotingPilot actuated
Pilot air supplyExternal
Flow directionNon-reversible
Symbol00991057
LapOverlap
Pilot pressure3, 7 bar
Switching time off10 ms
Switching time on10 ms
Max. positive test pulse with 0 signal500 µs
Max. negative test pulse with 1 signal400 µs
Characteristic coil data24 V DC: 1.0 W
Operating mediumCompressed air to ISO 8573-1:2010 [7:4:4]
Note on operating and pilot mediumLubricated operation possible (in which case lubricated operation will always be required)
Vibration resistanceTransport application test with severity level 2 to FN 942017-4 and EN 60068-2-6
Shock resistanceShock test with severity level 2 to FN 942017-5 and EN 60068-2-27
Corrosion resistance class CRC1 – Low corrosion stress
LABS (PWIS) conformityVDMA24364-B2-L
Media temperature-5, 50 °C
Ambient temperature-5, 50 °C
Product weight30.5 g
Electrical connection2-pin, Plugs
Type of mountingWith through-hole
Pilot exhaust port 82/84Common line
Pneumatic connection, port 1Common line
Pneumatic connection, port 2QS-4
Pneumatic connection 3/5 combinedCommon line
Pneumatic connection, port 4QS-4
Note on materialsRoHS-compliant
Material sealsNBR
Material housingDie-cast aluminium

Customer Reviews

0 reviews
0
0
0
0
0

There are no reviews yet.

Be the first to review “Festo CPVSC1-M1H-D-T-Q4C”

Your email address will not be published. Required fields are marked *