Fast delivery within 72 Hours
Festo CPV14-M1H-2X3-OLS-1/8
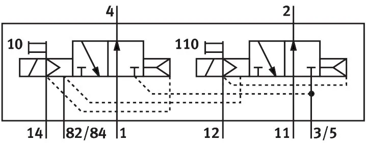
Solenoid valve-CPV14-M1H-2X3-OLS-1/8
Request for Quote
Shipping & Delivery
-
Courier delivery
Our courier will deliver to the specified address
5-6 Days
From €20
-
DHL Courier delivery
DHL courier will deliver to the specified address
2-3 Days
From €40
-
Warranty 1 year
-
Free 30-Day returns
Description
Specification
| Valve function | 2×3/2-way, open, monostable |
|---|---|
| Type of actuation | Electric |
| Valve size | 14 mm |
| Standard nominal flow rate (standardised to DINÂ 1343) | 800 l/min |
| Pneumatic working port | G1/8 |
| Operating voltage | 24V DC |
| Operating pressure | -0.9, 10 bar |
| Design | Piston gate valve |
| Type of reset | Pneumatic spring |
| Degree of protection | IP65 |
| Nominal size | 6 mm |
| Exhaust-air function | Without flow control option |
| Sealing principle | Soft |
| Mounting position | optional |
| Manual override | Detenting, Non-detenting |
| Type of piloting | Pilot actuated |
| Pilot air supply | External, Internal |
| Flow direction | Non-reversible |
| Symbol | 00991811 |
| Lap | Overlap |
| Pilot pressure | 3, 8 bar |
| B value | 0.42 |
| C value | 3.2 l/sbar |
| Switching time off | 30 ms |
| Switching time on | 24 ms |
| Duty cycle | 100% in conjunction with holding current reduction |
| Electrical power consumption | 0.65 W |
| Max. positive test pulse with 0 signal | 1400 µs |
| Max. negative test pulse with 1 signal | 400 µs |
| Operating medium | Compressed air to ISO 8573-1:2010 [7:4:4] |
| Note on operating and pilot medium | Lubricated operation possible (in which case lubricated operation will always be required) |
| Vibration resistance | Transport application test with severity level 2 to FN 942017-4 and EN 60068-2-6 |
| Shock resistance | Shock test with severity level 2 to FN 942017-5 and EN 60068-2-27 |
| Corrosion resistance class CRC | 2 – Moderate corrosion stress |
| LABS (PWIS) conformity | VDMA24364-B1/B2-L |
| Storage temperature | -20, 40 °C |
| Media temperature | -5, 50 °C |
| Ambient temperature | -5, 50 °C |
| Product weight | 120 g |
| Type of mounting | With through-hole |
| Pilot air port 12/14 | Common line |
| Pilot exhaust port 82/84 | Common line |
| Pneumatic connection, port 1 | Common line |
| Pneumatic connection, port 11 | Common line |
| Pneumatic connection, port 2 | G1/8 |
| Pneumatic connection 3/5 combined | Common line |
| Pneumatic connection, port 4 | G1/8 |
| Note on materials | RoHS-compliant |
| Material seals | HNBR, NBR |
| Material housing | POM, PPS, Steel |
Customer Reviews
Rated 0 out of 5
0 reviews
Rated 5 out of 5
0
Rated 4 out of 5
0
Rated 3 out of 5
0
Rated 2 out of 5
0
Rated 1 out of 5
0
Be the first to review “Festo CPV14-M1H-2X3-OLS-1/8” Cancel reply

Reviews
Clear filtersThere are no reviews yet.