Fast delivery within 72 Hours
Banner Engineering CSM4-M1281M1251M1281
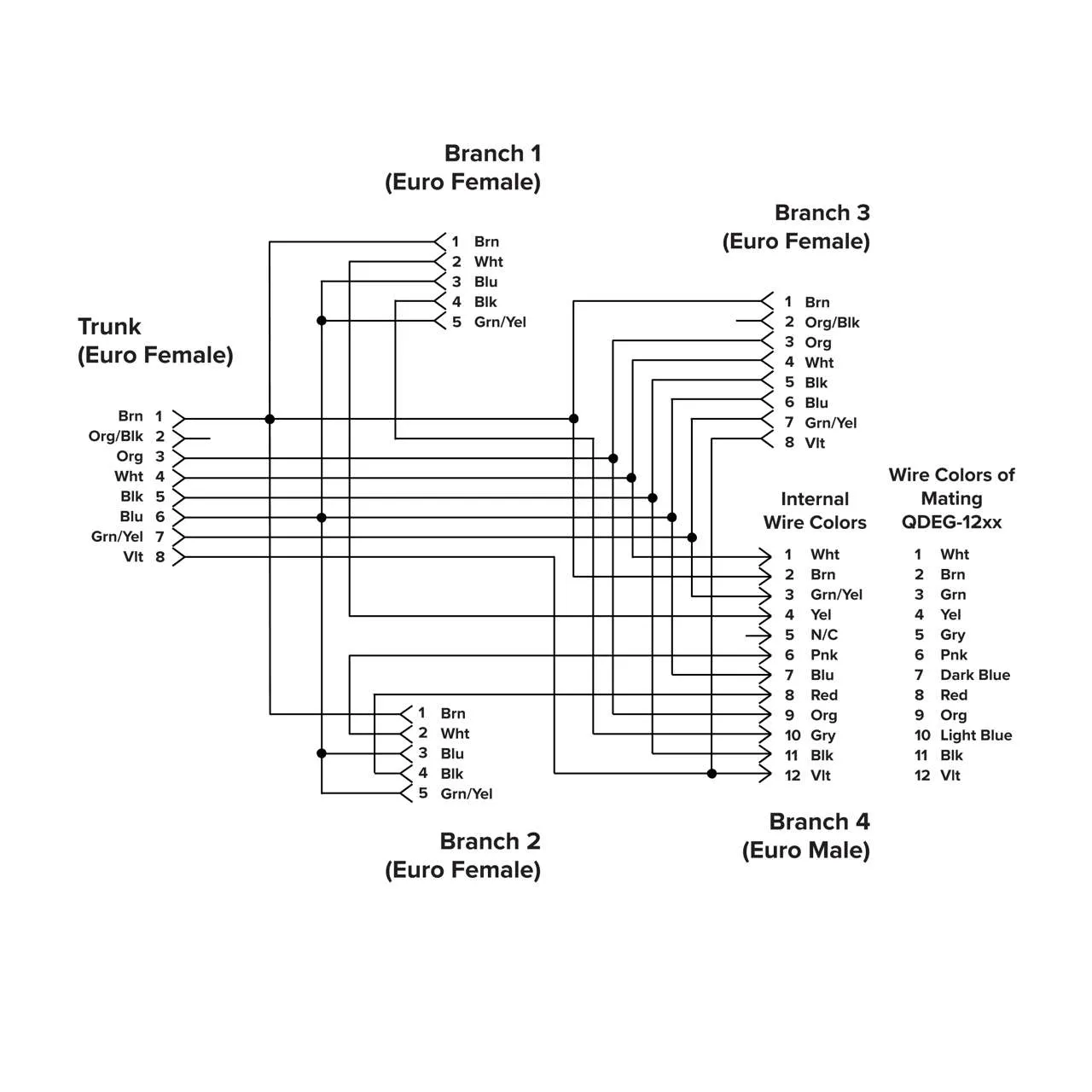
EZ-SCREEN LS, Accessory Muting. Part number: 94951. model: CSM4-M1281M1251M1281. part_number: 94951. list_price: 260 USD. is_new: 0. is_in_stock: 1. product_manual: —. BAN_Splitters_Type: 4-port. BAN_…
Request for Quote
Shipping & Delivery
-
Courier delivery
Our courier will deliver to the specified address
5-6 Days
From €20
-
DHL Courier delivery
DHL courier will deliver to the specified address
2-3 Days
From €40
-
Warranty 1 year
-
Free 30-Day returns
Description
EZ-SCREEN LS, Accessory Muting. Part number: 94951. model: CSM4-M1281M1251M1281. part_number: 94951. list_price: 260 USD. is_new: 0. is_in_stock: 1. product_manual: —. BAN_Splitters_Type: 4-port. BAN_Cords3_TrunkConnectType: M12. BAN_Cords3_TrunkGender: Female. BAN_Cords3_TrunkNumofContacts: 8. BAN_Cords3_TrunkLength: 0.30. BAN_Cords3_Wiring: Custom. BAN_Cords3_NumofBranches: 4. BAN_Cords3_BranchesGenders: Female, Female, Female, Male. BAN_Cords3_BranchesConnectType: M12, M12, M12, M12. BAN_Cords3_BranchesNumofContac: 5, 5, 8, 12. BAN_Cords3_BranchesCableMateri: PVC, PVC, PVC, PVC. BAN_Cords3_TrunkCableMaterial: PVC. IP Rating: IP67. Shield/No Shield: No Shield. Trunk Length (m): 0.30. Minimum Temp. (Celsius): -40. Trunk: Connector Type: M12. Trunk: Number of Contacts: 8. Maximum Temp. (Celsius): 105. Trunk: Gender: Female. Trunk: Orientation: Straight. Current Rating (A): 2.0. Number of Branches: 4. Branches: Connector Types: M12, M12, M12, M12. Branches: Number of Contacts: 5, 5, 8, 12. Branches: Genders: Female, Female, Female, Male. Branches: Orientations: Straight, Straight, Straight, Straight. Trunk: Cable Jacket Material: PVC. Branches: Cable Jacket Material: PVC, PVC, PVC, PVC. Wiring: Custom. Splitter: Overmold Material and Color: PUR Black. Supply Voltage: 75 V ac/dc. Item Status: RELEASED. Splitter Type: 4-port. Indication: No. Feature: Washdown Rated: No. Feature: Chemical Resistant: No. Oil/Grease Resistant: No
Specification
| Model | CSM4-M1281M1251M1281 |
|---|---|
| Part_number | 94951, https://www.bannerengineering.com/us/en/products/part.94951.html |
| List_price | 260 USD |
| Is_new | |
| Is_in_stock | 1 |
| Product_manual | — |
| BAN_Splitters_Type | 4-port |
| BAN_Cords3_TrunkConnectType | M12 |
| BAN_Cords3_TrunkGender | Female |
| BAN_Cords3_TrunkNumofContacts | 8 |
| BAN_Cords3_TrunkLength | 0.30 |
| BAN_Cords3_Wiring | Custom |
| BAN_Cords3_NumofBranches | 4 |
| BAN_Cords3_BranchesGenders | Female, Female, Female, Male |
| BAN_Cords3_BranchesConnectType | M12, M12, M12, M12 |
| BAN_Cords3_BranchesNumofContac | 5, 5, 8, 12 |
| BAN_Cords3_BranchesCableMateri | PVC, PVC, PVC, PVC |
| BAN_Cords3_TrunkCableMaterial | PVC |
| IP Rating | IP67 |
| Shield/No Shield | No Shield |
| Trunk Length (m) | 0.30 |
| Minimum Temp. (Celsius) | -40 |
| Trunk: Connector Type | M12 |
| Trunk: Number of Contacts | 8 |
| Maximum Temp. (Celsius) | 105 |
| Trunk: Gender | Female |
| Trunk: Orientation | Straight |
| Current Rating (A) | 2.0 |
| Number of Branches | 4 |
| Branches: Connector Types | M12, M12, M12, M12 |
| Branches: Number of Contacts | 5, 5, 8, 12 |
| Branches: Genders | Female, Female, Female, Male |
| Branches: Orientations | Straight, Straight, Straight, Straight |
| Trunk: Cable Jacket Material | PVC |
| Branches: Cable Jacket Material | PVC, PVC, PVC, PVC |
| Wiring | Custom |
| Splitter: Overmold Material and Color | PUR Black |
| Supply Voltage | 75 V ac/dc |
| Item Status | RELEASED |
| Splitter Type | 4-port |
| Indication | No |
| Feature: Washdown Rated | No |
| Feature: Chemical Resistant | No |
| Oil/Grease Resistant | No |

Reviews
Clear filtersThere are no reviews yet.